HGR40-EA-F Series Intelligent Frequency Control System Circulation Pump with Big Flange
View All Products
en
Description :
This high-efficiency frequency-controlled circulating pump delivers exceptional performance with adjustable flow rates, reliable operation, and versatile compatibility for diverse heating and cooling applications.
Applications:
Heating systems in residential and commercial buildings
Industrial equipment cooling
Solar water heating systems
Boiler circulation systems
Technical Specifications:
Flow Rate: Up to 17.4 m³/h
Head: Up to 16 meters
Pressure: Up to 10 bar
Ambient Temperature: 0℃~40℃
Ambient Humidity: 95%
Liquid Temperature: -10℃~110℃
Motor: Copper-wound with thermal protection
Shaft Material: Ceramic
Bearing Material: Ceramic
Impeller Material: Polypropylen
Connection: Flange mount
Voltage and Frequency: Customizable (50Hz or 60Hz)








|
Model |
Power |
Max. Flow |
Max. Head |
Voltage |
Pump Dimension (mm) |
Flange Dimension (mm) |
|
||||||||
|
W |
(m³/h) |
(m) |
220V/50Hz |
220V/60Hz |
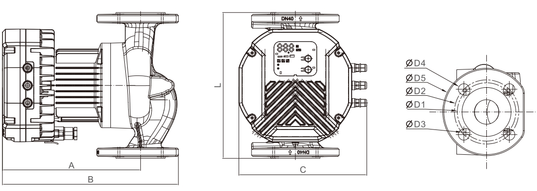
L |
A |
B |
C |
D1 |
D2 |
D3 |
D4 |
D5 |
||
|
HRS40/4EA-F |
16-86 |
8.5 |
4 |
★ |
★ |
250 |
244 |
310 |
219 |
100 |
110 |
14 |
19 |
150 |
DN40 |
|
HRS40/6EA-F |
16-188 |
11.3 |
6 |
★ |
★ |
250 |
244 |
310 |
219 |
100 |
110 |
14 |
19 |
150 |
DN40 |
|
HRS40/8EA-F |
16-260 |
12.8 |
8 |
★ |
★ |
250 |
244 |
310 |
219 |
100 |
110 |
14 |
19 |
150 |
DN40 |
|
HRS40/10EA-F |
16-360 |
14.4 |
10 |
★ |
★ |
250 |
244 |
310 |
219 |
100 |
110 |
14 |
19 |
150 |
DN40 |
|
HRS40/12EA-F |
16-450 |
15.6 |
12 |
★ |
★ |
250 |
244 |
310 |
219 |
100 |
110 |
14 |
19 |
150 |
DN40 |
|
HRS40/15EA-F |
16-608 |
17 |
15 |
★ |
★ |
250 |
244 |
310 |
219 |
100 |
110 |
14 |
19 |
150 |
DN40 |
|
HRS40/18EA-F |
16-600 |
17.4 |
18 |
★ |
★ |
250 |
244 |
310 |
219 |
100 |
110 |
14 |
19 |
150 |
DN40 |
|
HRS40/12.1EA-F |
16-628 |
17.4 |
12 |
★ |
★ |
250 |
244 |
310 |
219 |
100 |
110 |
14 |
19 |
150 |
DN40 |
Installation Dimension :

A longest lasting deep well pump is not something people usually think about when everything is working normally. It sit...
READ MOREOil Filled Borehole Pump are designed for deep water extraction where stable performance and long operating cycles are r...
READ MOREAn intelligent circulation pump is designed to move liquids through a system while adjusting its behavior based on real ...
READ MORE
Zinc Alloy Bottom Antifatiguefor water pumpsPressure range : 15-100psiPressure s...
See Details
Air-relief Customized Setting Pressure Switch for Air Compressors Pressure rang...
See Details
Antirust treatmentCopper winding Thermal protector C&U Bearing
See Details
Energy Saving Hot And Cold Water Circulation Pump Inlet / Outlet: 11/2" x 11/2" ...
See Details
Rated input voltage : AC220V/50Hz-60Hz Rated output power : 0.18-1.5kW Protectio...
See Details
Rated input voltage : AC380V, Three phase 50Hz/ 60HzRated output power : 0.75- 1...
See Details










